|
|
 |
| 产品中心 |
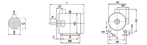
| BYT系列稀土永磁同步电动机的结构尺寸 | 
B3
机座号
Frame Size
|
级数
Number of poles
|
安装尺寸
Mounting dimensions(mm)
|
外形尺寸 Overall dimensions(mm)
|
A
|
B
|
C
|
D
|
E
|
F
|
G
|
H
|
K
|
AA
|
AB
|
AC
|
AD
|
HA
|
HD
|
BB
|
LD
|
L
|
90S
|
2~6
|
140
|
100
|
56
|
24
|
50
|
8
|
20
|
90
|
10
|
36
|
180
|
175
|
155
|
12
|
245
|
140
|
75
|
315
|
90L
|
2~6
|
140
|
125
|
56
|
24
|
50
|
8
|
20
|
90
|
10
|
36
|
180
|
175
|
155
|
12
|
245
|
165
|
75
|
340
|
100L
|
2~6
|
160
|
140
|
63
|
28
|
60
|
8
|
24
|
100
|
12
|
40
|
200
|
220
|
190
|
14
|
295
|
175
|
83
|
435
|
112M
|
2~6
|
190
|
140
|
70
|
28
|
60
|
8
|
24
|
112
|
12
|
45
|
230
|
220
|
190
|
15
|
305
|
180
|
87
|
450
|
132S
|
2~8
|
216
|
140
|
89
|
38
|
80
|
10
|
33
|
132
|
12
|
55
|
265
|
260
|
210
|
18
|
355
|
190
|
102
|
465
|
132M
|
2~8
|
216
|
178
|
89
|
38
|
80
|
10
|
33
|
132
|
12
|
55
|
265
|
260
|
210
|
18
|
355
|
230
|
102
|
505
|
160M
|
2~8
|
254
|
210
|
108
|
42
|
110
|
12
|
37
|
160
|
15
|
65
|
315
|
315
|
260
|
20
|
425
|
260
|
146
|
608
|
160L
|
2~8
|
254
|
254
|
108
|
42
|
110
|
14
|
37
|
160
|
15
|
65
|
315
|
315
|
260
|
20
|
425
|
305
|
146
|
652
|
180M
|
2~4
|
279
|
241
|
121
|
48
|
110
|
14
|
42.5
|
180
|
15
|
70
|
350
|
360
|
280
|
22
|
460
|
315
|
161
|
690
|
180L
|
4~8
|
279
|
279
|
121
|
48
|
110
|
16
|
42.5
|
180
|
15
|
70
|
350
|
360
|
280
|
22
|
460
|
350
|
161
|
730
|
200L
|
2~8
|
318
|
305
|
133
|
55
|
110
|
18
|
49
|
200
|
19
|
70
|
390
|
400
|
305
|
25
|
510
|
370
|
186
|
760
|
225S
|
4、8
|
356
|
286
|
149
|
60
|
140
|
16
|
53
|
225
|
19
|
70
|
435
|
450
|
335
|
28
|
555
|
370
|
189
|
810
|
225M
|
2
|
356
|
311
|
149
|
55
|
110
|
16
|
49
|
225
|
19
|
75
|
435
|
450
|
335
|
28
|
555
|
395
|
189
|
805
|
4~8
|
356
|
311
|
149
|
60
|
140
|
18
|
53
|
225
|
19
|
75
|
435
|
450
|
335
|
28
|
555
|
395
|
189
|
835
|
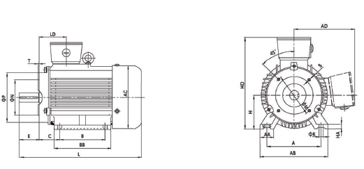
B5
机座号
Frame Size
|
级数
Number of poles
|
安装尺寸 Mounting dimensions(mm)
|
外形尺寸 Overall dimensions(mm)
|
D
|
E
|
F
|
G
|
M
|
N
|
P
|
R
|
S
|
T
|
AC
|
HD
|
LA
|
LD
|
L
|
90S
|
2~6
|
24
|
50
|
8
|
20
|
165
|
130
|
200
|
0
|
4~φ12
|
4
|
180
|
245
|
12
|
75
|
315
|
90L
|
2~6
|
24
|
50
|
8
|
20
|
165
|
130
|
200
|
0
|
4~φ12
|
4
|
180
|
245
|
12
|
75
|
340
|
100L
|
2~6
|
28
|
60
|
8
|
24
|
215
|
180
|
250
|
0
|
4~φ15
|
4
|
220
|
295
|
13
|
83
|
435
|
112M
|
2~6
|
28
|
60
|
8
|
24
|
215
|
180
|
250
|
0
|
4~φ15
|
4
|
220
|
305
|
14
|
87
|
450
|
132S
|
2~8
|
38
|
80
|
10
|
33
|
265
|
230
|
300
|
0
|
4~φ15
|
4
|
260
|
365
|
14
|
102
|
465
|
132M
|
2~8
|
38
|
80
|
10
|
33
|
265
|
230
|
300
|
0
|
4~φ15
|
4
|
260
|
365
|
14
|
102
|
505
|
160M
|
2~8
|
42
|
110
|
12
|
37
|
300
|
250
|
350
|
0
|
4~φ19
|
5
|
315
|
445
|
15
|
146
|
608
|
160L
|
2~8
|
42
|
110
|
12
|
37
|
300
|
250
|
350
|
0
|
4~φ19
|
5
|
315
|
445
|
15
|
146
|
652
|
180M
|
2~4
|
48
|
110
|
14
|
42.5
|
300
|
250
|
350
|
0
|
4~φ19
|
5
|
360
|
480
|
15
|
161
|
690
|
180L
|
4~8
|
48
|
110
|
14
|
42.5
|
300
|
250
|
350
|
0
|
4~φ19
|
5
|
360
|
480
|
15
|
161
|
730
|
200L
|
2~8
|
55
|
110
|
16
|
49
|
350
|
300
|
400
|
0
|
4~φ19
|
5
|
400
|
530
|
17
|
186
|
760
|
225S
|
4~8
|
60
|
140
|
18
|
53
|
400
|
350
|
450
|
0
|
8~φ19
|
5
|
450
|
575
|
20
|
189
|
810
|
225M
|
2
|
55
|
110
|
16
|
49
|
400
|
350
|
450
|
0
|
8~φ19
|
5
|
450
|
575
|
20
|
189
|
805
|
|
4~8
|
60
|
140
|
18
|
53
|
400
|
350
|
450
|
0
|
8~φ19
|
5
|
450
|
575
|
20
|
189
|
835
|
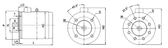
B35
机座号
Frame Size
|
级数
Number of poles
|
安装尺寸 Mounting dimensions(mm)
|
外形尺寸 Overall dimensions(mm)
|
|
|
A
|
B
|
C
|
D
|
E
|
F
|
G
|
H
|
K
|
M
|
N
|
P
|
R
|
S
|
T
|
AA
|
AB
|
AC
|
AD
|
HA
|
HD
|
LA
|
LD
|
L
|
90S
|
2~6
|
140
|
100
|
56
|
24
|
50
|
8
|
20
|
90
|
10
|
165
|
130
|
200
|
0
|
4~φ12
|
4
|
36
|
180
|
175
|
155
|
12
|
245
|
12
|
75
|
315
|
90L
|
2~6
|
140
|
125
|
56
|
24
|
50
|
8
|
20
|
90
|
10
|
165
|
130
|
200
|
0
|
4~φ12
|
4
|
36
|
180
|
175
|
155
|
12
|
245
|
12
|
75
|
340
|
100L
|
2~6
|
160
|
140
|
63
|
28
|
60
|
8
|
24
|
100
|
12
|
215
|
180
|
250
|
0
|
4~φ15
|
4
|
40
|
200
|
220
|
190
|
14
|
295
|
13
|
83
|
435
|
112M
|
2~6
|
190
|
140
|
70
|
28
|
60
|
8
|
24
|
112
|
12
|
215
|
180
|
250
|
0
|
4~φ15
|
4
|
45
|
230
|
220
|
190
|
15
|
305
|
14
|
87
|
450
|
132S
|
2~8
|
216
|
140
|
89
|
38
|
80
|
10
|
33
|
132
|
12
|
265
|
230
|
300
|
0
|
4~φ15
|
4
|
55
|
265
|
260
|
210
|
18
|
355
|
14
|
102
|
465
|
132M
|
2~8
|
216
|
178
|
89
|
38
|
80
|
10
|
33
|
132
|
12
|
265
|
230
|
300
|
0
|
4~φ15
|
4
|
55
|
265
|
260
|
210
|
18
|
355
|
14
|
102
|
505
|
160M
|
2~8
|
254
|
210
|
108
|
42
|
110
|
12
|
37
|
160
|
15
|
300
|
250
|
350
|
0
|
4~φ19
|
5
|
65
|
315
|
315
|
260
|
20
|
425
|
15
|
146
|
608
|
160L
|
2~8
|
254
|
254
|
108
|
42
|
110
|
14
|
37
|
160
|
15
|
300
|
250
|
350
|
0
|
4~φ19
|
5
|
65
|
315
|
315
|
260
|
20
|
425
|
15
|
146
|
652
|
180M
|
2~4
|
279
|
241
|
121
|
48
|
110
|
14
|
42.5
|
180
|
15
|
300
|
250
|
350
|
0
|
4~φ19
|
5
|
70
|
350
|
360
|
280
|
22
|
460
|
15
|
161
|
690
|
180L
|
4~8
|
279
|
279
|
121
|
48
|
110
|
16
|
42.5
|
180
|
15
|
300
|
250
|
350
|
0
|
4~φ19
|
5
|
70
|
350
|
360
|
280
|
22
|
460
|
15
|
161
|
730
|
200L
|
2~8
|
318
|
305
|
133
|
55
|
110
|
18
|
49
|
200
|
19
|
350
|
300
|
400
|
0
|
4~φ19
|
5
|
70
|
390
|
400
|
305
|
25
|
510
|
17
|
186
|
760
|
225S
|
4、8
|
356
|
286
|
149
|
60
|
140
|
16
|
53
|
225
|
19
|
400
|
350
|
450
|
0
|
4~φ19
|
5
|
70
|
435
|
450
|
335
|
28
|
555
|
20
|
189
|
810
|
225M
|
2
|
356
|
311
|
149
|
55
|
110
|
16
|
49
|
225
|
19
|
400
|
350
|
450
|
0
|
4~φ19
|
5
|
75
|
435
|
450
|
335
|
28
|
555
|
20
|
189
|
805
|
|
4~8
|
356
|
311
|
149
|
60
|
140
|
18
|
53
|
225
|
19
|
400
|
350
|
450
|
0
|
4~φ19
|
5
|
75
|
435
|
450
|
335
|
28
|
555
|
20
|
189
|
835
|
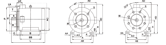
V1
机座号
Frame
Size
|
级数
Number
of poles
|
安装尺寸 Mounting dimensions(mm)
|
外形尺寸 Overall dimensions(mm)
|
D
|
E
|
F
|
G
|
M
|
N
|
P
|
R
|
S
|
T
|
AC
|
HD
|
LA
|
LD
|
L
|
90S
|
2~6
|
24
|
50
|
8
|
20
|
165
|
130
|
200
|
0
|
4~φ12
|
4
|
175
|
245
|
12
|
75
|
345
|
90L
|
2~6
|
24
|
50
|
8
|
20
|
165
|
130
|
200
|
0
|
4~φ12
|
4
|
175
|
245
|
12
|
75
|
370
|
100L
|
2~6
|
28
|
60
|
8
|
24
|
215
|
180
|
250
|
0
|
4~φ15
|
4
|
220
|
295
|
13
|
83
|
485
|
112M
|
2~6
|
28
|
60
|
8
|
24
|
215
|
180
|
250
|
0
|
4~φ15
|
4
|
220
|
305
|
14
|
87
|
500
|
132S
|
2~8
|
38
|
80
|
10
|
33
|
265
|
230
|
300
|
0
|
4~φ15
|
4
|
260
|
365
|
14
|
102
|
510
|
132M
|
2~8
|
38
|
80
|
10
|
33
|
265
|
230
|
300
|
0
|
4~φ15
|
4
|
260
|
365
|
14
|
102
|
550
|
160M
|
2~8
|
42
|
110
|
12
|
37
|
300
|
250
|
350
|
0
|
4~φ19
|
5
|
315
|
445
|
15
|
146
|
650
|
160L
|
2~8
|
42
|
110
|
12
|
37
|
300
|
250
|
350
|
0
|
4~φ19
|
5
|
315
|
445
|
15
|
146
|
690
|
180M
|
2~4
|
48
|
110
|
14
|
42.5
|
300
|
250
|
350
|
0
|
4~φ19
|
5
|
360
|
480
|
15
|
161
|
750
|
180L
|
4~8
|
48
|
110
|
14
|
42.5
|
300
|
250
|
350
|
0
|
4~φ19
|
5
|
360
|
480
|
15
|
161
|
790
|
200L
|
2~8
|
55
|
110
|
16
|
49
|
350
|
300
|
400
|
0
|
4~φ19
|
5
|
400
|
530
|
17
|
186
|
840
|
225S
|
4~8
|
60
|
140
|
18
|
53
|
400
|
350
|
450
|
0
|
8~φ19
|
5
|
450
|
575
|
20
|
189
|
905
|
225M
|
2
|
55
|
110
|
16
|
49
|
400
|
350
|
450
|
0
|
8~φ19
|
5
|
450
|
575
|
20
|
189
|
910
|
|
4~8
|
60
|
140
|
18
|
53
|
400
|
350
|
450
|
0
|
8~φ19
|
5
|
450
|
575
|
20
|
189
|
935
|
B34
机座号
Frame
Size
|
级数
Number
of poles
|
安装尺寸 Mounting dimensions(mm)
|
外形尺寸 Overall dimensions(mm)
|
A
|
B
|
C
|
D
|
E
|
F
|
G
|
H
|
K
|
M
|
N
|
P
|
R
|
S
|
T
|
AA
|
AB
|
AC
|
AD
|
HA
|
HD
|
LA
|
LD
|
L
|
90S
|
2~6
|
140
|
100
|
56
|
24
|
50
|
8
|
20
|
90
|
10
|
115
|
95
|
140
|
0
|
4-M8
|
3
|
36
|
180
|
175
|
155
|
140
|
12
|
225
|
75
|
315
|
90L
|
2~6
|
140
|
125
|
56
|
24
|
50
|
8
|
20
|
90
|
10
|
115
|
95
|
140
|
0
|
4-M8
|
3
|
36
|
180
|
175
|
155
|
165
|
12
|
245
|
75
|
340
|
100L
|
2~6
|
160
|
140
|
63
|
28
|
60
|
8
|
24
|
100
|
12
|
130
|
110
|
160
|
0
|
4-M8
|
3.5
|
40
|
200
|
220
|
190
|
175
|
14
|
295
|
83
|
435
|
112M
|
2~6
|
190
|
140
|
70
|
28
|
60
|
8
|
24
|
112
|
12
|
130
|
110
|
160
|
0
|
4-M8
|
3.5
|
45
|
230
|
220
|
190
|
180
|
15
|
305
|
87
|
450
|
132S
|
2~8
|
216
|
140
|
89
|
38
|
80
|
10
|
33
|
132
|
12
|
165
|
130
|
200
|
0
|
4-M10
|
4
|
55
|
265
|
260
|
210
|
190
|
18
|
355
|
102
|
465
|
132M
|
2~8
|
216
|
178
|
89
|
38
|
80
|
10
|
33
|
132
|
12
|
165
|
130
|
200
|
0
|
4-M10
|
4
|
55
|
265
|
260
|
210
|
230
|
18
|
355
|
102
|
505
|
B14
机座号
Frame
Size
|
级数
Number
of poles
|
安装尺寸 Mounting dimensions(mm)
|
外形尺寸 Overall dimensions(mm)
|
D
|
E
|
F
|
G
|
M
|
N
|
P
|
R
|
S
|
T
|
AC
|
HD
|
LD
|
L
|
90S
|
2~6
|
24
|
50
|
8
|
20
|
115
|
95
|
140
|
0
|
4-M8
|
3
|
175
|
225
|
75
|
315
|
90L
|
2~6
|
24
|
50
|
8
|
20
|
115
|
95
|
140
|
0
|
4-M8
|
3
|
175
|
225
|
75
|
340
|
100L
|
2~6
|
28
|
60
|
8
|
24
|
130
|
110
|
160
|
0
|
4-M8
|
3.5
|
220
|
295
|
83
|
435
|
112M
|
2~6
|
28
|
60
|
8
|
24
|
130
|
110
|
160
|
0
|
4-M8
|
3.5
|
220
|
295
|
87
|
450
|
132S
|
2~8
|
38
|
80
|
10
|
33
|
165
|
130
|
200
|
0
|
4-M10
|
4
|
260
|
305
|
102
|
465
|
132M
|
2~8
|
38
|
80
|
10
|
33
|
165
|
130
|
200
|
0
|
4-M10
|
4
|
260
|
305
|
102
|
505
|
|
| 上一页:BYT系列稀土永磁同步电动机的性能参数
|  |
|
|